elbows

  • Forged Pipe Elbow Fittings – 45°
  • Another Image
  • Thumb 1
  • Thumb 2
Forged Fittings

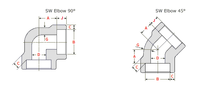
Forged Pipe Elbow Fittings – 90° & 45°°

Forged Pipe Elbow Fittings are high-strength components designed to change the direction of flow in piping systems. Manufactured using a hot forging process, these fittings provide superior mechanical strength, structural integrity, and long service life compared to cast fittings.

Available in 90-degree and 45-degree angles, forged elbows are widely used in high-pressure and high-temperature applications across oil & gas, petrochemical, power generation, water treatment, and industrial piping systems.

Features of 45° and 90° Forged Pipe Elbow Fittings

Flangeman Steel Worldwide Pvt Ltd’s Forged Pipe Elbow Fittings, available in 90° and 45° configurations, are designed to provide reliable directional changes in piping systems while ensuring optimal flow efficiency. Manufactured using advanced hot closed-die forging technology, these elbows offer superior mechanical strength, high tensile and yield properties, and excellent durability for high-pressure and high-temperature applications. Both 90° and 45° elbows feature smooth internal surfaces to reduce turbulence and pressure drop, improving overall system performance. Available in threaded and socket weld connection types, they ensure leak-proof joints and easy installation. These fittings are offered in a range of materials including carbon steel, stainless steel (304/316), and alloy steel, providing excellent corrosion and chemical resistance. With long service life, low maintenance requirements, and compliance with international standards such as ASME B16.11, MSS-SP-79/83, and ASTM specifications, these forged elbows deliver dependable performance across sindustries including oil & gas, petrochemical, power plants, water treatment, and industrial process piping systems.

Types of Forged Elbows

90° Forged Elbow

A right-angle fitting designed to change the direction of fluid flow by 90 degrees. Ideal for compact piping layouts and high-pressure systems.

45° Forged Elbow

Provides a smoother directional change, minimizing turbulence and pressure drop. Recommended where flow efficiency is critical.


Product Features 90° – 45° Forged Pipe Elbow Fittings

    Precision hot-forged construction – Ensures superior strength and structural integrity.

    High tensile strength and durability – Withstands high pressure and stress.

    Smooth internal surface for better flow efficiency – Reduces turbulence and pressure drop.

    Excellent resistance to pressure and temperature – Suitable for demanding industrial applications.

    Available in threaded and socket weld types – Flexible installation options.

    Corrosion-resistant material options – Carbon steel, stainless steel, and alloy steel available.

    Long service life with low maintenance – Reliable performance over time.


Material Used in Manufacturing Elbows.

    Steel

    Carbon Steel

    Alloy Steel

    Duplex & Super Duplex Stainless Steel

    Nickel Based Alloys


Key Applications of 90° - 45° Forged Elbow:

Oil & Gas Industries

Petrochemical Plants

Refineries

Power Generation

Boiler Systems

Water Treatment Plants

Industrial Process Piping

Marine & Offshore Projects


Why Choose Flangeman Steel Worldwide Pvt Ltd?

Pulp and Paper Industry

Sea Water Equipment

Pharmaceutical Equipment

Off-Shore Oil Drilling Companies

Petrochemicals

Heat Exchangers

Pharmaceuticals


Standards and Specification of Blind Flanges.

Parameter Specification
Product Name Forged Pipe Elbow
Angle 45° and 90°
Size Range 1/8” to 4” (DN6 – DN100)
Pressure Class – Threaded 2000 LB, 3000 LB, 6000 LB
Pressure Class – Socket Weld 3000 LB, 6000 LB, 9000 LB
Connection Type Threaded (NPT / BSPT) / Socket Weld
Manufacturing Process Hot Closed Die Forging
Carbon Steel Grade ASTM A105 / A105N
Stainless Steel Grades ASTM A182 F304 / F304L / F316 / F316L
Alloy Steel Grades ASTM A182 F11 / F22 / F91
Design Standard ASME B16.11
Testing Hydrostatic Test, PMI Test, Visual & Dimensional Inspection
Surface Finish Black, Galvanized, Pickled & Passivated

We at, Flangeman Steel Worldwide Pvt Ltd, undertake hardness and resilience tests prior to delivering them to our customers. As we are one of the foremost Manufacturers of stainless steel flanges in India, we also provide Slip-on-flanges, lap joint flanges, socket weld flanges, threaded flanges, etc. Professionals from our squad also scrutinize the item to validate the quality of the product before packaging it for consumers

Lets Get in Touch!

Welcome to Flangeman Steel Worldwide Pvt. Ltd. – Shaping Strength with Precision Our journey, firmly grounded in a legacy of excellence, has evolved into a dynamic new phase of growth and innovation. With a renewed vision and global outlook, we continue to redefine standards in steel solutions, building a stronger and more sustainable future.

DOWNLOAD PDF