Socket Weld Flanges

Flanges

Socket Weld Flanges

Flangeman Steel Worldwide Pvt Ltd is a leading manufacturer of high-quality Stainless Steel Socket Weld Flanges in India. These Socket Weld Flanges are ideal for applications involving small-diameter, high-pressure piping systems. Manufactured using premium-grade raw materials and advanced technology, our Socket Weld Flanges comply with both national and international industry standards.

At Flangeman Steel Worldwide Pvt Ltd, we manufacture and export Socket Weld Flanges in accordance with ANSI, JIS, DIN, EN 1092-1, UNI, BS 4504, SABS 1123, AS 2129, and GOST 12820 standards. We maintain a substantial inventory of Stainless Steel Socket Weld Flanges in a wide range of sizes and configurations to meet diverse client requirements.

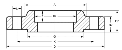
Socket Weld Flanges are a widely used type of pipe flange originally developed for small-sized, high-pressure piping applications. These flanges feature a recessed socket into which the pipe is inserted and secured by a single fillet weld on the exterior of the flange hub. While their fabrication is similar to that of Slip-On Flanges, the internal pocket of a Socket Weld Flange provides a smooth bore, resulting in improved fluid flow and reduced turbulence.


Socket Weld Flanges Manufacturer, Suppliers, Stockist, Exporters


Features of Socket Weld Flanges

The recess on the inside diameter of the socket weld flange allows for a good fit of the pipe allowing for a smooth flow of liquid.

Socket welding flanges work well for smaller sizes and higher pressure-temperature conditions.

They are similar to slip-on flanges but must specify the schedule of the pipe where they will be used for with socket welds.


Socket Weld Flanges are Available in Different Materials

Stainless Steel

Carbon Steel

Alloy Steel

Titanium

Duplex & Super Duplex Stainless Steel

Nickel alloy


Advantages of Socket Weld Flanges

Easy alignment for joining. No tack weld requirement for aligning

Lower risk of leakage.

No weld metal infiltration in the pipe bore

Cheaper to install as compared to butt welded fittings.

No special machining requirements.


Applications of Socket Weld Flanges

Socket Weld Fittings are designed for use in low- to medium-pressure applications in restricted spaces.

Moreover, these Socket Weld flanges are been used in various Industries such as

Shipbuilding,

power generation,

petrochemical plants,

oil refineries,

wastewater treatment plants,

paper mills, pharmaceutical plants, and turnkey projects among others.


Standards and Specifications of Socket Weld Flangess

Particulars Details
Standards ANSI, JIS, DIN, EN1092-1, UNI, BS4504, SABS1123, AS2129, GOST-128200
Dimensions ANSI B 16.5 Socket Weld Flanges, EN1092-1 Socket Weld Flanges BS 1560. BS 10 Socket Weld Flanges, IS 6392, B-2.1 NPT Socket Weld Flanges, API, DIN Socket Weld Flanges, JIS. MSS SP 44 Socket Weld Flanges
Materials ASTM A105 Socket Weld Flanges, ASME A105 Socket Weld Flanges

ASTM A182 Socket Weld Flanges, ASME A182 Socket Weld Flanges

ASTM A350 LF1 Socket Weld Flanges, LF2 CL1/CL2 Socket Weld Flanges, LF3 CL1/CL2 Socket Weld Flangess

ASTM A694 F42 Socket Weld Flanges, F46 Socket Weld Flanges, F48 Socket Weld Flanges F50 Socket Weld Flanges, F52 Socket Weld Flanges, F56 Socket Weld Flanges, F60 Socket Weld Flanges, F65 Socket Weld Flanges, F70 Socket Weld Flanges

ASTM B564 Socket Weld Flanges, ASME SB564 Socket Weld Flanges

Class Socket Weld Flanges 150#, Socket Weld Flanges 300#, Socket Weld Flanges 600#, Socket Weld Flanges 900#, Socket Weld Flanges 1500# & Socket Weld Flanges 2500#, PN6 Socket Weld Flanges, PN10 Socket Weld Flanges, PN16 Socket Weld Flanges, PN25 Socket Weld Flanges, PN40 Socket Weld Flanges, PN63 Socket Weld Flanges, PN100 Socket Weld Flanges, PN160 Socket Weld Flanges, PN250 Socket Weld Flanges
Sizes 1/2” NB TO 24” NB.
Nickel Alloy ASTM / ASME SB 336 UNS 2200 ( NICKEL 200 ), UNS 2201 (NICKEL 201 ), UNS 4400 (MONEL 400 ), UNS 8020 ( ALLOY 20 / 20 CB 3, UNS 8825 INCONEL (825), UNS 6600 (INCONEL 600 ), UNS 6601 ( INCONEL 601 ), UNS 6625 (INCONEL 625), UNS 10276 ( HASTELLOY C 276 ), ASTM A182 F304/304L Socket Weld Flanges, ASTM A182 F304H Socket Weld Flanges, ASTM A182 F304L Socket Weld Flanges, ASTM A182 F304 Socket Weld Flanges, ASTM A182 309H Socket Weld Flanges, ASTM A182 310H Socket Weld Flanges, ASTM A182 310 Socket Weld Flanges.

ASTM A182 F316/316LSocket Weld Flanges, ASTM A182 F316H Socket Weld Flanges, ASTM A182 F316L Socket Weld Flanges, ASTM A182 F316 Socket Weld Flanges.
Stainless Steel ASTM A182 F316/316L Socket Weld Flanges, ASTM A182 F316H Socket Weld Flanges, ASTM A182 F316L Socket Weld Flanges, ASTM A182 F316 Socket Weld Flanges, ASTM A182 F316Ti Socket Weld Flanges, ASTM A182 F317 Socket Weld Flanges, ASTM A182 F317L Socket Weld Flanges,

ASTM A182 F321 Socket Weld Flanges, ASTM A182 F321H Socket Weld Flanges.

ASTM A182 F347 Socket Weld Flanges, ASTM A182 F347H Socket Weld Flanges, ASTM A182 F904L Socket Weld Flanges

ASTM A182 F44 Socket Weld Flanges, ASTM A182 F51 Socket Weld Flanges, ASTM A182 F53 Socket Weld Flanges, ASTM A182 F55 Socket Weld Flanges, ASTM A182 F60 Socket Weld Flanges

Alloy Steel ASTM A182 F1, A182 F5, A182 F9, A182 F11, A182 F12, A182 F22, A182 F91

Before being supplied to customers, all products at Flangeman Steel Worldwide Pvt Ltd are finalized by our experienced personnel and subjected to a series of rigorous quality tests. Our skilled team continually works to enhance product performance, usability, and overall value for our customers.


To meet the diverse requirements of our valued clients, Flangeman Steel Worldwide Pvt Ltd offers a wide range of packaging and delivery solutions. Each flange is carefully wrapped using industry-standard packaging materials to ensure maximum protection during transit and to prevent any damage. With efficient logistics and rapid delivery, we consistently provide high-quality products and reliable service at competitive prices.



Products

Similar products

Lets Get in Touch!

Welcome to Flangeman Steel Worldwide Pvt. Ltd. – Shaping Strength with Precision Our journey, firmly grounded in a legacy of excellence, has evolved into a dynamic new phase of growth and innovation. With a renewed vision and global outlook, we continue to redefine standards in steel solutions, building a stronger and more sustainable future.

DOWNLOAD PDF